Soluciones

#HVAC #Detallado #eficienciaenergetica #ingenieria #consultoriaenergetica #designbuilder #eficiencia #ahorroenergetico #arquitecturavernacula #confort

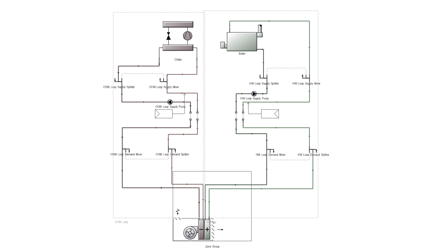
BEM_HVAC detallado


Modelado de un amplio rango de sistemas de calefacción, refrigeración y ventilación mecánica, especificando los detalles de cada uno de sus componentes.

Podemos consultar cuestiones relacionadas con los posibles ahorros y costes de las instalaciones consumidoras de energía y cómo se pueden eficientar los sistemas activos.

Nos permite configurar las temperaturas de consigna de nuestro sistema, obtener datos de la capacidad nominal del mismo y saber durante cuántas horas no se están alcanzando las temperaturas deseadas en un espacio determinado, con el fin de poder diseñar un espacio acondicionado 100% confortable para todos los ocupantes del edificio.

Podemos modelar los sistemas HVAC más detallados de EnergyPlus así como todos los sistemas HVAC de referencia del estándar ASHRAE 90.1, usado en esquemas de certificación como LEED.

Algunos de los sistemas que podemos configurar son:

•Sistemas de caudal de aire variable (VAV) con controles avanzados, reajuste de consignas de aire y agua, enfriamiento gratuito, y control por sondas de dióxido de carbono.

•Sistemas de flujo de refrigerante variable (VRF) con enfriamiento mediante aire o agua, incluyendo datos de fabricantes.

•Sistemas de ventilación híbrida, con control sincronizado de la ventilación natural y la mecánica.

•Climatizadoras de aire primario con apoyo zonal mediante fan coils, techos fríos, radiadores de agua etc

•Sistemas split de aire acondicionado

•Diversos sistemas de enfriamiento evaporativo

•Sistemas híbridos de agua/aire, suelos radiantes, techos refrescantes

•Difusión por suelo (UFAD) y desplazamiento (DV) incluyendo opciones para modelar estratificación, plumas y difusores de volumen constante o variable.

•Modelado detallado de bombas de calor geotérmicas, incluyendo intercambiadores verticales, superficiales o de pozo. Es posible importar datos detallados del sondeo desde las aplicaciones GLD y GLHEPRO.

•Colectores solares con acumulador. Pueden calentar el depósito de ACS o proporcionar calefacción mediante suelo radiante.

•Sistemas con losas alveolares.

•Sistemas de cogeneración y trigeneración.

•Sistemas de almacenamiento térmico de hielo.

Otras soluciones

#bioclimatica #regeneración #clima #diseño #arquitectura

Diseño bioclimático

#construccion #economiacircular #emisiones #prefabricados

Ejecución de obra

#vernacula #arquitecturabioclimatica #bioconstruccion #materialesnaturales #vocs

Bioconstrucción

#consultoriaenergetica #designbuilder #eficiencia #ahorroenergetico #arquitecturavernacula #confort

BEM_Building Energy Modeling

#consultoriaenergetica #designbuilder #eficiencia #ahorroenergetico #arquitecturavernacula #confort

BEM_Estudios de confort

#jeplus #optimizacióngenetica #ia #ai #consultoriaenergetica #designbuilder #eficiencia #ahorroenergetico #arquitecturavernacula #confort

BEM_Optimización genética-IA

#insight #revit #EUI #energyuseintensity #consultoriaenergetica #designbuilder #eficiencia #ahorroenergetico #arquitecturavernacula #confort

BEM_Optimización energética con INSIGHT

#clima #agua #precipitacion #estrategiasbioclimaticas #climateconsultant #meteororm #andrewmarsh #soleamiento #radiacionsolar #irradiancia #analisisclimatico

Análisis climático